1)标准型:带提升泵,带遥控,出风摆叶为自动型。
2)豪华型:带提升泵,带线遥控,出风摆叶为自动型。
3)简易型:带提升泵及水泵控制器,不带遥控及线控,出风摆叶为手动。
| 产品型号 | PF-34KM | FP-51KM | FP-68KM | FP-85KM | FP-102KM | |
| 额定风量m³/h | 34 | 510 | 680 | 850 | 1020 | |
| 供冷量w | 1800 | 2700 | 3600 | 4500 | 5400 | |
| 供热量w | 2700 | 4050 | 5400 | 6750 | 8100 | |
| 配置尺寸 | 进出水管 | Rc3/4(DN20) | ||||
| 凝结水管 | Φ20 | |||||
| 水流量m³/h | 360 | 520 | 700 | 860 | 1050 | |
| 水阻力kpa | 30 | 30 | 30 | 30 | 40 | |
| 输入功率w | 37 | 52 | 62 | 76 | 96 | |
| 噪声dB(A) | ≤37 | ≤93 | ≤41 | ≤43 | ≤45 | |
| 链接方式 | 内丝链接 | |||||
| 电源 | 1/N/PE/AC 220V 50Hz | |||||
| 机组净重kg | 20 | 20 | 20 | 26 | 26 | |
| 工作压力Mpa | 1.6 | |||||
续表
| 产品型号 | FP-136KM | FP-170KM | FP-204KM | FP-238KM | |
| 额定风量m³/h | 1360 | 1700 | 2040 | 2380 | |
| 供冷量w | 7200 | 9000 | 10800 | 12150 | |
| 供热量w | 10800 | 13500 | 16200 | 17500 | |
| 配置尺寸 | 进出水管 | Rc3/4(DN20) | |||
| 凝结水管 | Φ20 | ||||
| 水流量m³/h | 1400 | 1750 | 1990 | 2320 | |
| 水阻力kpa | 40 | 40 | 40 | 50 | |
| 输入功率w | 134 | 152 | 189 | 228 | |
| 噪声dB(A) | ≤46 | ≤48 | ≤50 | ≤52 | |
| 链接方式 | 内丝链接 | ||||
| 电源 | 1/N/PE/AC 220V 50Hz | ||||
| 机组净重kg | 26 | 36 | 36 | 36 | |
| 工作压力Mpa | 1.6 | ||||
备注:
机组名义工况:
供冷工况:进出风干球温度27℃,湿球温度19.5℃,进水温度7℃,出水温度12℃;
供热工况:进风干球温度21℃,热水进水温度60℃。
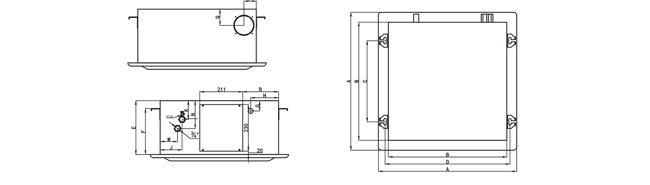
| 尺寸mm | FP-34KM | FP-85KM | FP-170KM |
| FP-51KM | FP-102KM | FP-204KM | |
| FP-68KM | FP-136KM | FP-238KM | |
| A | 680 | 830 | 980 |
| B | 582 | 712 | 827 |
| C | 400 | 544 | 655 |
| D | 614 | 744 | 859 |
| E | 265 | 290 | 290 |
| F | 225 | 220 | 220 |
| G | 51 | 89 | 88 |
| H | 137 | 142 | 146 |
| J | 108 | 108 | 127 |
| K | 93 | 106 | 106 |
| M | 85 | 86 | 106 |
| N | 137 | 151 | 151 |
| P | 60 | 60 | 60 |
| Q | 80 | 100 | 100 |
| R | 176 | 223 | 337 |
相关推荐
发表评论